188-1627-8388
|


所属分类:干燥设备系列
产品简介:单锥螺带真空干燥机是锥形混合机的衍生,其在原有的单一混合功能上,引入了干燥功能(在原有锥形筒体外部增加加热夹套),可以在对物料进行干燥的同时进行搅拌,实现了一机双能的效果。但在实验和生产中发现,对于热敏性物料,单锥真空干燥机的烘干时间较长,且在干燥过程会出现物料熔融、结块等现象,使得被干燥物料的物理性质和化学性质发生改变,影响后续工艺的顺利进行。
188-1627-8388
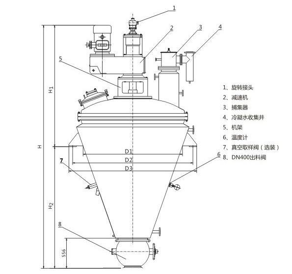
单锥真空干燥机时一种搅拌型密闭式真空干燥机。它通过一个夹套加热的单锥真空密闭罐由搅拌浆不断翻动物料,使物料均匀受热,水份或溶剂得到蒸发,达到物料干燥的目的。该设备采用单锥型罐体设计,卫生级不锈钢制造,结构简单,操作方便。属批次型间隙干燥操作,清洗无死角,是一种符合GMP要求的精烘包车间理想的干燥设备,广泛应用于制药、生物、化工、食品等行业得粉体,滤饼、结晶体及液体的浓缩、干燥、蒸发和溶剂回收的操作。
单锥真空干燥机所提供的是一种圆锥形螺带搅拌。整个螺线搅拌浆在自转的同时,螺带将物料不断提升、翻动、刮落,时罐内物料混合均匀,并均匀受热。蒸发的溶剂及水蒸气经过滤器除尘后真空系统进行冷凝回收后排放。
该干燥设备混合和干燥在同一容器内完成,提高了生产效率;采用夹套加热,降低了使用能耗;采用真空干燥形式,保证了传热和传质,特别适应热敏性和溶剂回收的粉粒体物料的干燥;结构简单,容易清洗,出料方便,符合GMP规范;提供多种搅拌形式及设备规格选配,可进行批次生产;也可进行冷却、杀菌、反应等操作。
| 型号\项目 | 单位 | DZLG-500 | DZLG-750 | DZLG-1000 | DZLG-1250 | DZLG-1500 | DZLG-2000 | DZLG-3000 | DZLG-4000 |
| 有效容积 | L | 500 | 750 | 1000 | 1250 | 1500 | 2000 | 3000 | 4000 |
| 全容积 | L | 650 | 800 | 1220 | 1600 | 1900 | 2460 | 3680 | 4890 |
| 加热面积 | ㎡ | 4.1 | 5.2 | 7.2 | 9.1 | 10.6 | 13 | 19 | 22 |
| 电机功率 | KW | 11 | 11 | 15 | 15 | 18.5 | 22 | 30 | 37 |
| 设备净重 | KG | 1350 | 1850 | 2300 | 2600 | 2900 | 3600 | 4100 | 4450 |
| 搅拌转速 | rpm | 50 | 45 | 40 | 38 | 36 | 36 | 34 | 32 |
| 设备总高 | m | 3565 | 3720 | 4165 | 4360 | 4590 | 4920 | 5160 | 5520 |
| 容器高度 | H3 | 1455 | 1610 | 1965 | 2160 | 2300 | 2590 | 2380 | 3160 |
| 耳座高度 | H4 | 895 | 995 | 1315 | 1480 | 1630 | 1860 | 1900 | 2240 |
| 锅身内宽 | D2 | 1100 | 1200 | 1400 | 1500 | 1600 | 1750 | 2100 | 2100 |
| 安装耳座宽 | D3 | 1270 | 1350 | 1560 | 1720 | 1900 | 2050 | 2400 | 2450 |
上一篇:不锈钢贮罐、配制罐
下一篇:没有了
由于废水处理厂的增加和废水处理工艺的改进,废水处理过程中产生的污泥量不断增加。尽管有许多用于污泥处理的方法,但是这些方法的…
随着煤炭开采率的提高,煤粉等副产物的产生越来越多。这些副产物的生产对周围环境构成了极大威胁。而污泥烘干机的出现可以完全解决…
如果在运行过程中,污泥干化机出现风机不转怎么办?我们该从哪些方面来解决问题?接下来,小编就为大家带来答案,以供参考!污泥干…
污泥在经过污泥干化设备干燥后,可用于燃煤电厂、水泥厂、垃圾处理厂等工厂,以代替传统燃料。污泥干燥可以减少废物排放并保护环境…
截屏,识别二维码
手机二维码
(点击复制手机二维码)